Il rifornimento CI scheggia il regolatore del µModule del quadrato di LTM4670EY con matrice di uscita configurabile 10A
Descrizione di prodotto di LTM4670EY
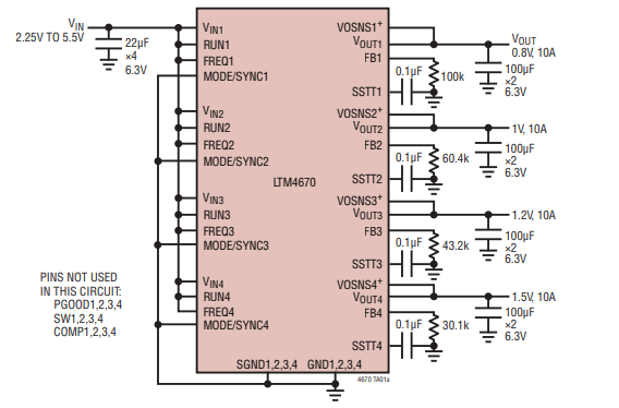
Il LTM4670EY è un regolatore scendere del µModule® del quadrato DC/DC (micromodulo) con 10A per uscita. Le uscite possono essere parallelizzate in una matrice per fino alla capacità 40A. Sono inclusi nel pacchetto il regolatore di commutazione, i MOSFETs di potere, l'induttore e tutte le componenti di sostegno. Funzionando sopra una gamma di tensione in ingresso di 2.25V a 5.5V, gamme di ogni tensione in uscita a partire da 0.5V a VIN hanno messo da soltanto una resistenza esterna. La sua progettazione di alta efficienza consegna corrente d'uscita continuo 10A per canale. Soltanto alcun i condensatori dell'uscita e dell'input sono necessari.
Il LTM4670EY impiega un'architettura silenziosa Switcher®2 con i condensatori di esclusione caldi interni del ciclo per raggiungere sia la EMI bassa che l'alta efficienza. La frequenza di difetto internamente è fissata a 2MHz, può esternamente essere sincronizzata ad un orologio da 1MHz a 2.6MHz.
Specificazione di LTM4670EY
| Numero del pezzo: | LTM4670EY |
| 2,25 V | |
| 5,5 V | |
| 70 mA | |
| 2 megahertz | |
| - 40 C | |
| + 125 C | |
| LTM4670 |
Caratteristiche di LTM4670EY
Applicazioni di LTM4670EY
Applicazioni tipiche di LTM4670EY

FAQ
Q: Sono i vostri prodotti originali?
: Sì, tutti i prodotti sono importazione originale originale e nuova è il nostro scopo.
Q: Quali certificati avete?
: Siamo società di iso e membro certificati 9001:2015 di ERAI.
Q: Potete sostenere l'ordine o il campione della piccola quantità? È il campione libero?
: Sì, sosteniamo l'ordine del campione ed il piccolo ordine. Il costo del campione è differente secondo il vostro ordine o progetto.
Q: Come spedire il mio ordine? È sicuro?
: Usiamo preciso per spedire, quale DHL, Fedex, UPS, TNT, EMS.We possiamo anche usare il vostro spedizioniere suggerito. I prodotti saranno in merce che imballa ed assicurarci la sicurezza e sia responsabile a danneggiamento del prodotto del vostro ordine.
Q: Che cosa circa il termine d'esecuzione?
: Possiamo spedire le parti di riserva in 5 giorni lavorativi. Se senza azione, confermeremo il termine d'esecuzione per voi abbiamo basato sulla vostra quantità di ordine.
Persona di contatto: Mr. Sales Manager
Telefono: 86-13410018555
Fax: 86-0755-83957753